|
| |
| P1 二線式單相相位控制器(直推式)(4-20mA or DCV) |
|
| |
|
 |
電氣特性 |
| |
|
| |
| 環境溫度: |
0~55°C |
| 相對溼度: |
0~90% |
| 耐壓絕緣: |
2500Vac/1 Min. |
| 絕緣阻抗: |
500MΩ以上 |
| 最小動作電流: |
0.6A |
| 開路時漏電流: |
0.25mA以下 |
| 使用頻率範圍: |
50Hz/60Hz |
| 輸入訊號: |
4-20mA、12Vdc、24Vdc、P.W.M |
|
|
|
| |
 |
產品特性(Product Characteristic) |
| |
|
| |
- 無需輔助電源(因為未含變壓器及電源供應器)。
- 輸入側訊號部份和動力線側完全隔離。
- 可直接由溫度錶之4-20mA推動,並可串街接2~3台SCR (如有需要請洽本公司),可任選手動或自動調整。
- CE認證通過。
- 具有輸入訊號大小指示及電源指示功能。
- 配線簡單、操作容易。
品名:P1 A BBB C D E
例如:P1 1 020 2 2 A
|
A→
|
輸入訊號 |
| |
1 4-20mA 基本型 |
| |
2 12Vdc |
| |
3 24Vdc |
| |
4 P.W.M |
| B→ |
額定負載電流 |
| |
020 20A |
| |
050 50A |
| |
100 100A |
| |
160 160A |
| |
200 200A |
| |
300 300A |
| C→ |
額定負載電壓 |
| |
1 110Vac |
| |
2 220Vac |
| |
3 380Vac |
| |
4 440Vac |
| D→ |
VR |
| |
1 內含 |
| |
2 外接 |
| E→ |
圖號 |
| |
A 圖號A |
| |
B 圖號B |
注意事項:內含VR和外接VR不可同時存在。 |
|
| |
 |
產品規格 |
| |
|
| |
|
電流值
|
A(av)
|
I2t(A2s)
|
圖號
|
推薦圖號
|
|
020
|
20A
|
310
|
A B
|
A
|
|
030
|
30A
|
770
|
A B
|
A
|
|
050
|
50A
|
1600
|
B C
|
B
|
|
070
|
70A
|
2700
|
C D
|
C
|
|
080
|
80A
|
3800
|
C D
|
D
|
|
100
|
100A
|
7400
|
E H
|
H
|
|
120
|
120A
|
10800
|
E H
|
H
|
|
160
|
160A
|
18000
|
O
|
|
|
200
|
200A
|
29000
|
O
|
|
|
300
|
300A
|
63000
|
O
|
|
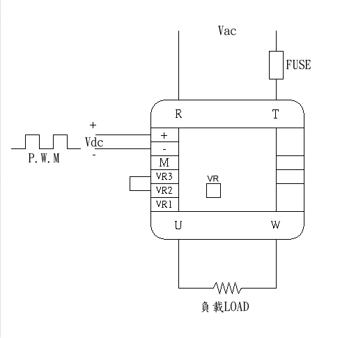
使用說明:(120A以上之入力電源配線方式,請參考配線圖六)
一.自動

二.自動(P.W.M)

三.自動+限流

四.自動+外部限流+手動+外接開關
.png)
五.手動

六.超過120A之入力電源接法,控制訊號同1~5項
.png)
|
| |
|
 |
檔案下載 |
| |
|
| |
|
| |
|
| |
 |
| |
|
| |
|
| |
回列表頁 |
|
| |
| |
| |
|