| |
|
電流/模組
|
A(av)
|
保險絲規格
|
圖號(外觀尺寸 散熱器規格)
|
|
15A / T
|
15A
|
15A
|
A
|
|
25A / T
|
25A
|
25A
|
A
|
|
40A / T
|
40A
|
40A |
B
|
|
10A / D
|
10A
|
10A |
A
|
|
25A / D
|
25A
|
25A |
A
|
|
30A / D
|
30A
|
30A |
B
|
|
40A / D
|
40A
|
40A
|
B
|
|
50A / D
|
50A
|
EXT
|
C
|
|
70A / D
|
70A
|
EXT
|
C
|
註:EXT表保險絲外加
/SPAF-SSR(FUSE)-1.jpg)
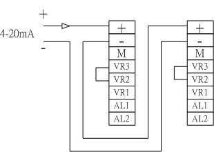
面板說明:
+,-控制訊號輸入(4-20mA,DCV)
M:參考電壓輸出
VR3:電位計第3腳
VR2:電位計第2腳
VR1:電位計第1腳
VR :最大功率輸出限制
AL1,AL2:異常輸出接點(220V/80mA,Ron=30Ω)
綠燈:訊號輸入指示
紅燈:過熱(散熱器溫度超過100℃)
黃燈:欠相,保險絲燒毀,或SCR擊穿
應用說明動力線配線說明:
/SPAF-SSR(FUSE)-2.jpg)
控制應用說明:
1.基本型(內含VR)
/SPAF-SSR(FUSE)-3.jpg)
2.自動+外接VR(不含內VR)
/SPAF-SSR(FUSE)-4.jpg)
3.自動+手動+外接開關(不含內VR)
/SPAF-SSR(FUSE)-5.jpg)
4.電流串聯接法(基本型):2台以下
/SPAF-SSR(FUSE)-6.jpg)
注意事項:1.上圖為基本型接法,其它型式接法之應用可參考2.3.4型。
2.若要同步控制3台(含)以上時,可使用訊號轉換板達成目標。
5.電流串聯接法(基本型):使用訊號轉換板(DM1030B)
/SPAF-SSR(FUSE)-7.jpg)
6.電壓並聯接法(基本型)
/SPAF-SSR(FUSE)-8.jpg) |