智慧型線性(Smart linear) SCR含(RP3、RPS....)   
單相相位(SCR)含(PS、1A/1V、1R、APS/APC........)   
單相固態電驛(SSR)含(SSR、ASR、1SR、1Z......)   
SRS型功率控制器含(SRS、SRSP、SRSM.......)   
三相固態電驛(SSC/SSR)含(SSC、SSR)   
三相三線式相位SCR含(TMPT、P3、PT)   
三相四線式相位SCR含(APSx3)   
三相零位SCR含(Z2、Z2-3、ZT、ZT-3)   
負載檢知器含(DM0815A1、DM0745A1、DM1139A.......)   
訊號轉換板   
類比訊號開關板   
[DC/DC]直流電源控制器   
馬達正/反轉含(MFR3、MFR1)   
溫控模組   
馬達緩衝啟動   
溫度錶   
資料收集器   
直流負載測試板   
 
DM0745A 1Φ斷線檢知板-簡易型
 
電氣特性
   
 

環境溫度:

0~55°C

相對溼度:

0~90%

耐壓絕緣:

2500Vac/1 Min.

絕緣阻抗:

500MΩ以上

供應電源:

24Vdc(100mA)

18Vac(100mA r.m.s)

同步輸入訊號:

4-20mA、0-20mA、0-5V、1-5V、0-10V

5-7V(直推式)、5~28Vdc(SSR)、Relay(接點)

 
產品特性(Product Characteristic)
   
 
  1. 用於檢測負載是否有斷線,包括SCR,SSR,電磁閥。 
  2. 可用於三相或單相負載系統。
  3. 斷線或漏電電流不可調。(斷線與漏電功能二擇一)
  4. 尺寸:85mm(L)x33mm(W)x60mm(H)(含鋁軌座)

訂購資訊:

 品名:DM0745A - A B

 例如:DM0745A - A 1

A→ 檢測功能
  A 斷線
  B 漏電
B→

同步輸入訊號

  0 4-20mA
 

1 1-5V

  2 0-20mA
  3 0-10V
  4 SSR(12-24Vdc)
  5 5-7V(直推式)
  7 0-5V
  8 Relay

 
產品規格
   
 

同步輸入訊號:

4-20mA、0-20mA、0-5V、1-5V、0-10V、5-7V(直推式)

12Vdc~28Vdc(SSR)、Relay(接點)

偵測範圍:

1A~300A

警報接點阻抗:

 30Ω(220vac/80ma(max)

 

 

 

 

 

 

 

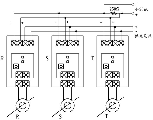
應用說明: 

1.電壓訊號 2.電流訊號

3.接點接法

 

 

 

 

 

 

 

 

 

 

 

三相電流偵測接法

 

靈敏度與反應速率調整:

 VR1: 

   
檔案下載
   
 
   
 
   
   
  回列表頁