|
電流/模組
|
A(av)
|
Fule included
|
圖號
|
|
15A / T
|
15A
|
option
|
A
|
|
25A / T
|
25A
|
option
|
A
|
|
40A / T
|
40A
|
option
|
B
|
|
10A / D
|
10A
|
No
|
A
|
|
25A / D
|
25A
|
No
|
A
|
|
30A / D
|
30A
|
No
|
B
|
|
40A / D
|
40A
|
No
|
B
|
|
50A / D
|
50A
|
No
|
C
|
|
70A / D
|
70A
|
No
|
C
|
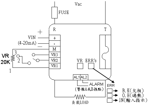
面板說明:
綠燈[IN]:訊號輸入指示
紅燈[F.B]:保險絲斷or欠相
紅燈[OH]:散熱不良導致散熱器過熱、通風不良環境溫度過高、選用規格太小
H.B/SCR:藍燈表示斷線,黃燈表示SCR故障,紅燈表示過流
VR :最大功率輸出限制
RST:用於重置過流(O.C)功能,使SCR/SSR恢復正常運作
過熱(O.H):表示散熱器表面溫度已超過85±5℃
應用說明:
1.基本型[內含VR]:無內含保險絲(FUSE)
.png)
2.[自動]+外接VR(限制輸出功率)
.png)
3.[自動+手動]+外接VR+外接開關接法
.png)
4.固定電壓(12Vdc or 24Vdc)+外接VR接法
.png)
5.基本型(內含FUSE)
.png)

|